메뉴 건너뛰기

전기기능장 PCB연결 방법

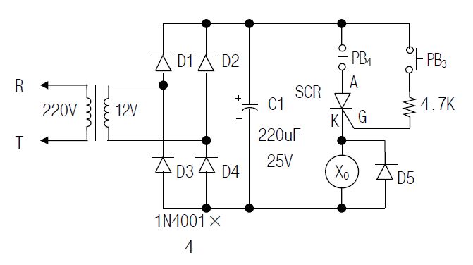
제어판에서 PCB로 220V에서 12V로 낮춘뒤 X0에 배선하는 방법입니다.

실제 전기를 넣어 확인한 것입니다.

특히 SCR의 PCB는 시험장에서 납땜 작업 후 12볼트 릴레이 한 개를 지참하여  전기를 넣어서 체크해 볼 수 있습니다.

회로테스터기로는 첵크가 불가능합니다.

SCR회로도3.JPG

PCB-SCR연결.JPG

 

 

 

 

PCB-연결.JPG

  • share